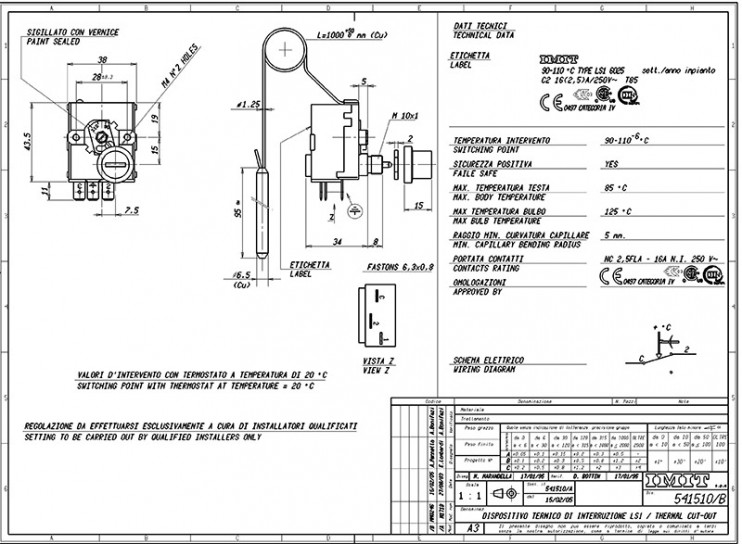
Термостат предельный (аварийный) предназначен для блокировки подачи газа в горелку при превышении температуры теплоносителя или же отходящих газов (по тяге), в зависимости от места установки. Данный предельный термостат с ручной разблокировкой, применяется в системах безопасности котлов, предназначением которого является также при аварийном отключение (самоотключение при обрыве капилляра) и блокировки подачи газа в горелку при повышении установленной максимальной температуры теплоносителя или засорения дымохода. Принцип действия термостата, размыкающего электрическую цепь при разрушении капиллярной трубки, основан на расширении жидкости внутри термочувствительного элемента (термобаллона).
Характеристики термостата:
- температура срабатывания – 90….110С;
- заводская настройка – 110 С;
- длина капилляра – 1000 мм без покрытия ПВХ;
- размер чувствительного элемента - Ø 6,5×95 мм;
- мощность контактов – 16 (6)А /250В
- отключающие контакты SPST (два контакта);
- кнопка ручного сброса;
- разъемы «фастон» на боковой поверхности корпуса;
- минимально допустимый радиус изгиба капилляра - 5 мм;
- производитель – Imit.
Страна производитель: Италия
минимальный радиус изгиба | 5 — 5 мм |
максимальная температура корпуса | 85 °C |
Бренд | IMIT |
Доставим любой заказ!
Мы осуществляем доставку товаров во все населенные пункты Российской Федерации и некоторые населенные пункты Таможенного Союза.
Доставка в крупные и малые города осуществляется курьерской службой СДЭК (https://www.cdek.ru/contacts/city-list.html) до пунктов самовывоза или курьером до вашего адреса. Доставка в районные центры, посёлки, сёла и деревни осуществляется Почтой России или курьерской службой СДЭК до близлежащего города (по согласованию с покупателем).
В большинстве случаев стоимость доставки небольших посылок составляет от 250 до 350 рублей и зависит от удаленности населенного пункта и веса отправляемой запчасти.
Оплата при получении товара, наложенный платеж.
Этот способ оплаты подойдет тем, кто заказывает у нас товар впервые.
Удобство данного способа в том, что вы оплачиваете товар картой либо наличными при его получении. Из недостатков данного способа стоит отметить незначительную комиссию за денежный перевод. Комиссия составляет 5% от стоимости товара при получении в службе СДЭК. При получении на Почте России комиссия рассчитывается индивидуально, так как Почта взимает с Вас дополнительную комиссию за страховку ценной посылки и почтовый перевод денег отправителю посылки (в среднем составляет 6% от общей стоимости товара и доставки).
Предоплата.
Данный способ оплаты подойдет тем, кто уверен в надежности нашего интернет-магазина, или тем, кто является нашим постоянным покупателем и уже успел убедиться в качестве нашей работы. Возможны следующие варианты предоплаты: безналичный расчет на счет нашей организации (для юридических лиц и ИП), оплата картой.













